


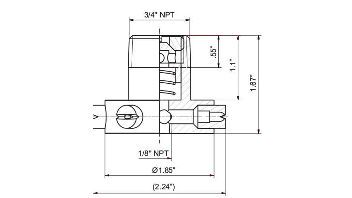
The flushing nozzle assembly was designed especially for the
brewing industry for cleaning the plate screen in lauter tun tanks. A
full cone nozzle inserted at the bottom delivers excellent spray coverage and the flat fan jets provide powerful impact for cleaning.