Rotating cleaning nozzle "MiniSpinner"

The innovative slot design gives the "MiniSpinner" its high degree of effectiveness. Due to the modern bearing construction, it is particularly reliable and durable. The "MiniSpinner" is made entirely from stainless steel and designed for use also at high temperatures. Apart from stainless steel, it is also available in Hastelloy and in many flow rates.

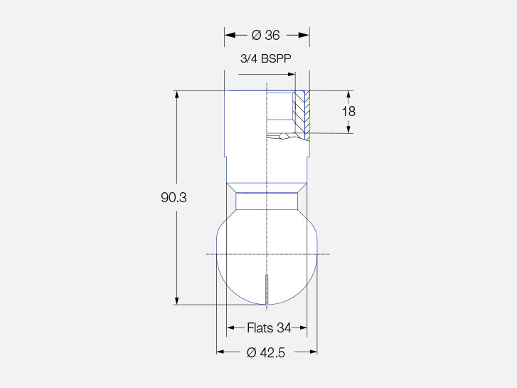
Technical data (pdf, 212 KB)

Features

Max. tank diameter
Max. tank diameter0.82 – 8 ft
Materials
MaterialsStainless steel 316L SS
Stainless steel 440C SS
Hastelloy C22
Hastelloy C276
Max. temperature
Max. temperature284 °F
Filtration
FiltrationLine strainer with a mesh size of 0.1 mm/170 mesh
Recommended operating pressure
Recommended operating pressure30 psi
Installation
InstallationOperation in every direction is possible
Bearing
BearingDouble ball bearing made of 440C SS
Double ball bearing made of C276

Operating mode

Our video demonstrates the operating mode of the rotating cleaning nozzle "MiniSpinner" Series 5MI